当前位置:
首页
/
/
/
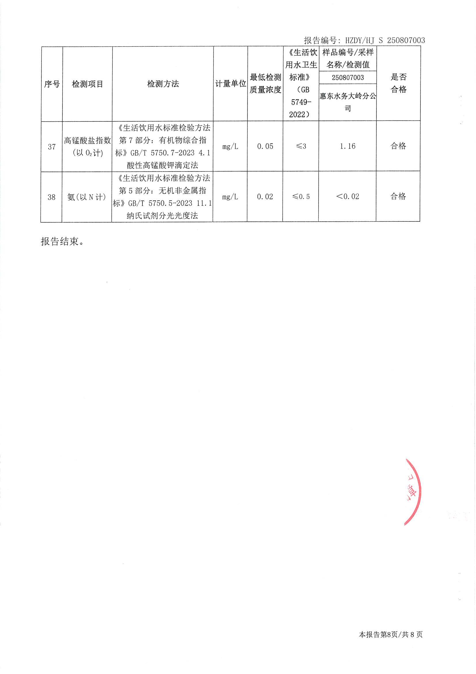
2025年8月份水质检测报告(大岭分公司)

2025年8月份水质检测报告(大岭分公司)

  • 分类:水质公告
  • 作者:
  • 来源:
  • 发布时间:2025-09-12
  • 访问量:0

2025年8月份水质检测报告(大岭分公司)

【概要描述】

  • 分类:水质公告
  • 作者:
  • 来源:
  • 发布时间:2025-09-12
  • 访问量:0
详情

扫二维码用手机看

相关下载

暂时没有内容信息显示
请先在网站后台添加数据记录。

推荐新闻

电话: 0752-8808029
地址:广东省惠州市惠东县新平大道383号
Copyright©新澳门原料1688All Rights Reserved 

 粤ICP备17040005号   网站建设:中企动力  惠州

img

微信公众号

img

移动客户端